
Репутація Успішно виконуємо весь спектр інженерно-геологічних послуг з 2007 року, щороку понад 500 завдань з усіх послуг. Гарантія на послуги від 12 до 96 місяців.

Надійність Ми завжди підбираємо оптимальне для замовника рішення, ніколи штучно не здешевлюємо вартість наших послуг та матеріалів на шкоду якості та довговічності

Чесність Ми дотримуємося принципів чесного ведення бізнесу та проявляємо поваги до кожної людини. Нам довіряють тисячі замовників та партнерів.

Професійність Професіоналами не народжуються – вони зростають. Ми виконуємо навіть дуже складні проекти і кожен об’єкт обов’язково реалізовуємо до логічного завершення.

Як відбувається проектування свердловин
Компанія Акваторія створює проекти на буріння свердловин на воду з 2007 року. До нас звертаються Клієнти обирають нашу компанію, тому що ми:
- Насамперед вивчаємо масив геолого-геодезичних матеріалів на ділянці, де буде розміщена водозабірна свердловина, і лише після цього готуємо проект.
- Здійснюємо вибір місця та робимо розрахунок дебіту майбутньої свердловини, ґрунтуючись на результатах оцінки специфіки рельєфу, глибинних характеристик водоносного горизонту.
- Створюємо свердловину, параметри якої повністю відповідають проектним завдяки багаторічному досвіду високої кваліфікації нашої команди – геологів, інженерів, геодезистів, буровиків, а також професійній спеціалізованій техніці та вимірювальним приладам.
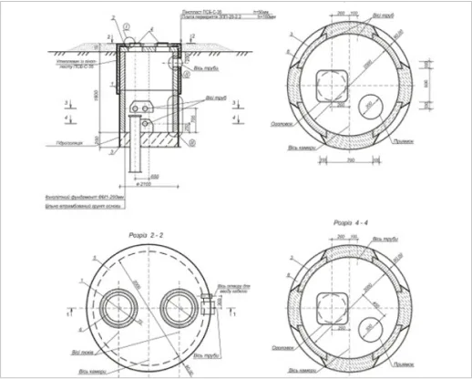
Суть проектування водозабірної свердловини
Проектування свердловини на воду може відрізнятися, залежно від конструкції та призначення водозабору. Визначення конструкції водозабору відбувається на основі аналізу особливостей місцевості, глибини, способу буріння та багатьох інших характеристик.
Під час проектування водозабору здійснюється розрахунок технічних параметрів системи подачі води, що впливає на експлуатаційний термін, параметри безпеки та технічні можливості системи.
На першому етапі проводиться оцінка місцевості, під час якої уточнюються:
- точні геодані для установки системи;
- розміри свердловини, її глибина;
- вид артезіанської свердловини.
Проект свердловини може бути розроблений для однієї (наприклад, для садової ділянки або котеджу) або для кількох свердловин (наприклад, для виробництва або невеликого населеного пункту).

Опишіть завдання чи надайте технічне завдання нам, і ми зможемо вам надати розрахунок із вартістю, обсягами та термінами виконання робіт

Етапи проектування глибинних свердловин
Проектування глибинної свердловини – важливий етап для облаштування водозабору. Конструкція системи подачі води досить складна, тому для створення проекту необхідні спеціалізовані знання та досвід встановлення таких систем у різній місцевості.
Спеціалісти компанії Акваторія займаються проектуванням та облаштуванням глибинних свердловин понад 15. Наша команда підготує якісний проект водозабору, незалежно від складності системи, вимог до функціональних можливостей та локації.
Проектування артезіанської свердловини включає такі етапи:
- Огляд та оцінка місцевості.
- Визначення ділянки, де найкраще облаштувати водозабір.
- Визначення глибини колодязя.
- Вибір методу буріння.
- Підбір обладнання.
- Підготовка технічної документації – паспорт свердловини.
Комплексний підхід до облаштування системи подачі води, підготовка супровідної та технічної документації та успішний досвід реалізації проектів різної складності гарантують відмінну якість послуг, які надає компанія Акваторія.
Досвід створення глибинних свердловин з 2007 року
Багато в чому від грамотності та кваліфікації підрядника залежить якість проектування водозабірної свердловини та її будівництва. Замовляючи послугу розробки проекту на буріння для свердловини на воду, ви отримуєте:
- швидке виконання робіт точно в обумовлений термін;
- можливість замовити свердловину на воду під ключ або часткову послугу;
- надаємо всі технічні та звітні документи;
- якісна реалізація робіт, відповідно до індивідуальних особливостей та побажань замовника;
- гнучкі ціни виконання послуг.
Команда компанія «Акваторія» пропонує реалізацію проектів свердловини на воду різної складності. Ви можете замовити проект свердловини для харчового водопостачання з будь-яким радіусом викривлення.
Щоб уточнити вартість проекту водозабірної свердловини, слід зателефонувати нашим фахівцям або залишити заявку на будівництво водозабору електронною поштою.
Які фактори слід враховувати під час проектування глибини буріння артезіанської свердловини?
- Визначення глибини водоносного горизонту Аналіз глибини водоносного горизонту є фундаментальним етапом. Необхідно точно визначити глибину буріння задля досягнення цього ключового шару.
- Облік дебіту свердловини: Розмір свердловини та вибір насосного обладнання безпосередньо залежать від необхідного об’єму води. Ретельний розрахунковий облік дебіту збалансує параметри системи.
- Аналіз гідрогеологічних характеристик: Облік гідрогеологічних особливостей, таких як склад ґрунту, наявність тріщин та проникність порід, важливий для визначення оптимальної глибини буріння.
- Облік розташування: Розташування свердловини впливає на глибину буріння через геологічні особливості регіону. Кожне місце може вимагати індивідуального підходу.
- Дослідження якості води: Аналіз якості води на різних глибинах допомагає вибрати оптимальний рівень буріння, забезпечуючи видобуток чистої води.
- Дотримання регіональних і правил: Враховуючи, що у кожному регіоні можуть діяти свої і правила, важливо дотримуватися регулювання, пов’язані з глибиною буріння свердловин.
- Управління бюджетом та ресурсами: Фінансові обмеження можуть впливати на глибину буріння, тому визначення оптимальної глибини має враховувати бюджетні та ресурсні обмеження.
Як забезпечити якісне водопостачання з артезіанської свердловини?
- Професійне проектування з урахуванням місцевих особливостей забезпечує оптимальну ефективність системи водопостачання.
- Ліцензоване буріння, враховуючи глибину та чистоту води.
- Професійна установка насосів і фільтрів запобігає можливим негативним впливам речовин, що забруднюють воду.
- Регулярне обслуговування свердловини та обладнання підтримує надійну роботу системи.
- Періодичне тестування якості води забезпечує безперервний контроль за її чистотою та відповідністю стандартам питної води.
- Захист від забруднень (установка захисних екранів, що запобігає вторгненню небажаних речовин у воду).
- Дотримання стандартів водопостачання гарантує, що водопостачання відповідає вимогам безпеки та якості, встановленим у регіоні.
Як регулювати та обслуговувати артезіанську свердловину для забезпечення довгострокової ефективної роботи?
Для забезпечення довгострокової та ефективної роботи артезіанської свердловини необхідно дотримуватись наступних унікальних рекомендацій:
- Регулярний моніторинговий вимір рівня води дозволяє оперативно реагувати на зміни у водоносному горизонті та запобігати можливим проблемам.
- Систематичне обслуговування та очищення фільтрів та насосів підтримує їх ефективність та запобігає можливим збоям у роботі системи.
- Проведення планового технічного обслуговування допомагає попередити можливі поломки та забезпечує безперервну роботу.
- Регулярне тестування води на якість та реагування на зміни для підтримки чистоти та безпеки.
- Забезпечення захисту від забруднень та контроль доступу, наприклад, встановлення захисних екранів, та контроль за доступом запобігають можливим загрозам для води.
- Дотримання нормативів та стандартів для артезіанських свердловин, що гарантує дотримання правил безпеки та надійність роботи системи.
Які запобіжні заходи слід вживати для захисту артезіанської свердловини від забруднення?
Для захисту артезіанської свердловини від забруднення рекомендується наступне:
- Встановлення захисного кесона або кришки допомагає запобігти потраплянню зовнішніх забруднень, таких як сміття.
- Огородження свердловини для запобігання доступу тварин допомагає запобігти доступу тварин, що може запобігти попаданню шкідливих речовин у воду.
- Екологічна утилізація відходів та хімічних речовин знижує ризик забруднення ґрунтових вод та забезпечує безпеку водопостачання.
- Регулярна перевірка та обслуговування свердловини допомагають виявляти та усувати потенційні джерела забруднення.
- Використання безпечних матеріалів поблизу свердловини допомагає запобігти ризику забруднення води.
Які основні кроки у проектуванні артезіанської свердловини (для юридичних)?
Процес проектування артезіанської свердловини включає ряд ключових етапів, які забезпечують не тільки ефективність, але і надійність її функціонування. Ось унікальне формулювання основних кроків у цьому процесі:
1. Ретельне дослідження місцевості та вибір оптимального розташування, що забезпечує оптимальні характеристики водоносного горизонту.
2. Визначення необхідної глибини та дебіту відповідних потреб водокористування.
3. Розробка проекту буріння та вибір обладнання з урахуванням особливості ґрунту та гідрогеологічні особливості місцевості.
4. Отримання всіх необхідних дозволів та ліцензій, що забезпечують дотримання законодавчих норм та вимог.
5. Буріння свердловини та встановлення насоса відповідно до проекту.
6. Тестування та обслуговування свердловини.
Ці кроки є фундаментом для забезпечення ефективного та довгострокового функціонування артезіанської свердловини з огляду на індивідуальні особливості кожного проекту.

Консультація по
Вашому запитанню
Підготовка попередньої
комерційної пропозиції
Виїзд фахівця
на об'єкт
Підготовка кінцевої
комерційної пропозиції
Виконання робіт
на об'єкті
Передача документів замовнику
післе завершення
| Послуги | Терміни | Ціна |
| Разробка проекту артезіанськой свердловини | до 30 днів | від 40 000 грн |
| Разробка проекту тампонажу артезіанськой свердловини | до 30 днів | від 36 000 грн |
| Разробка проекту ЗСО | до 30 днів | від 36 000 грн |
| Разробка паспорту на свердловину | до 10 днів | від 4000 грн |
| Отримання спецводокористування | до 90 днів | від 30 000 грн |



































































































Компанія "Акваторія" замінила насос із глибини 110 метрів у моїй свердловині у Старих Петрівцях. Робота була виконана швидко та якісно. Співробітники компанії виявили високу компетентність та професіоналізм. Новий насос працює відмінно та забезпечує надійну подачу води. Я дуже задоволений роботою...
Я замовляв буріння свердловини для свого будинку та залишився дуже задоволеним результатом. Робота була виконана професійно та вчасно. Вода зі свердловини чиста та прозора, без сторонніх запахів. Тепер у мене є надійне джерело питної води прямо біля будинку, що дуже...
Я замовив буріння свердловини на глибину 70 метрів і не можу не поділитися своїм враженням. Робота була виконана дуже швидко та якісно, без затримок та проблем. Вода зі свердловини кришталево чиста та має відмінний смак. Тепер я можу бути впевненим...
Я звернувся до компанії для монтажу глибинного насоса у свердловину у с. Буча після того, як мій старий насос був викрадений. Фахівці компанії швидко підібрали необхідне обладнання та встановили його у свердловину. Новий насос працює бездоганно, той і не дорогий....
Звертаюся не вперше. Обслуговування на найвищому рівні. Дякую.
Я замовив розробку проекту свердловини для поливу моєї плантації лохини в Черкаській області та хочу поділитися своїм досвідом. Акваторія, якій я довірив цей проект, виявила професіоналізм та високий рівень відповідальності. Проект був розроблений відповідно до моїх потреб та вимог якості...
Я замовив розробку проекту для свердловини для свого логістичного комплексу та залишився дуже задоволений результатом. Професійний підхід та відповідальне ставлення до роботи вражають. Компанія детально проаналізувала потреби комплексу та розробила проект, що відповідає всім вимогам. Результати були відмінні, свердловина працює...
Кілька разів вже звертався до цієї фірми, спочатку геологію ділянки та геодезію мені робили, потім свердловину для води, ще звертатимуся з питання теплового насоса, дуже вже сподобалася ця технологія майбутнього!
Для геології ділянки звернувся до компанії Акваторія, зробив заявку, хлопці приїхали через 3 дні в обумовлений час, зробили все швидко та чітко! Окреме спасибі Дімі та Денису! Удачі та процвітання!
Звернувся до хлопців, оперативно підготували зміну, погодили всі нюанси, приїхали пробурили свердловину на 94 метри, облаштували колодязь, за підсумками вода в будинку :). Дякую всім!
Хочу подякувати компанії Акваторія за якісно виконану роботу з буріння свердловини та встановлення септика. Дійсно професіонали своєї справи, від вимірів та проектування до підключення все зробили на відмінно. Рекомендуватиму!
Виникла необхідність терміново бурити свердловину наприкінці осені. Майданчик для буріння викроїли ювелірно між рослин та доріжок. Працювали до пізньої ночі, т.к. сім'я із 5 чол. була без води. Порушили питання оперативно за кілька днів. Дали повний пакет документів, гарантію 5...
Заказал скважину для родителей на даче, в селе Бабинцы. Все обсудили по телефону, прислали смету, через 3 дня приехали и через неделю вода была в доме! Рекомендую!
Дякую Акваторії. Сьогодні довели до ладу свердловину, що в серпні робила інша компанія. Приємно вразили добросовісність, доброзичливість і професіоналізм виконавців.Всім раджу.
Вчора зі свердловини почала надходити гаряча вода, зателефонував до компанії, яка бурила свердловину і мені відповіли що на даний момент у них немає вільних фахівців.Знайшов в інтернеті компанію бурили самі. Замовив бригаду, приїхали після 14.00 того ж дня, поміняли реле...
Купити дачу в Рожнах і постало питання про те, що потрібно робити на ділянці септик, оскільки не було можливості підключитися до центральної каналізації. За три дні працівники компанії Акваторія все зробили під ключ! Дякуємо за оперативність та гарне ставлення до...
Хочу подякувати компанії Акваторія за якісно виконану роботу з буріння свердловини та встановлення септика. Дійсно професіонали своєї справи, від вимірів та проектування до підключення все зробили на відмінно. Рекомендуватиму!
Купили ділянку землі в Борисполі і за порадою брата вирішили зробити геологію під будинок, тобто запросити фахівців для вивчення ґрунту, щоб зрозуміти, який будинок будувати і яка глибина фундаменту потрібна в нашому випадку. Дуже залишилися задоволені, що звернулися саме до...
Батькам у будинку в Ірпені вирішили пробурити свердловину під воду, оскільки водопровідна залишає бажати кращого. Звернулися до компанії Акваторія. Компанія здійснила консультацію та розрахунок свердловини. Домовилися, чекали 3 тижні, зробили за 2 дні. Професійні та дуже компетентні співробітники.
Не вперше звертаємося до цієї компанії, робили свердловину нашим батькам на дачі, нам геологію на ділянці, купили для дому, ще звертатимемося і по інших роботах, оптимальні ціни, адекватні фахівці. Рекомендуємо.
Перед будівництвом будинку у Ворзелі замовляли проведення геології ділянки. Зв'язалися через сайт з інженером, нам передзвонили і детально розповіли. Домовилися на зручний день, приїхали хлопці провели виміри та взяли проби. Чекаємо наступного тижня на висновок експертизи і навесні плануємо розпочинати...
44 метри. Оболонь. Монтаж+буріння зайняло 3 дні. Вода є. Приїхали, зробили, користуюсь, задоволений. Пара спірних моментів: --- Ціна на 10% - 15% дорожча, ніж у інших фірм. (це десь 6 – 7 тисяч грн). Не впевнений, як це виправдано. У...
Висловлюємо велику вдячність компанії з буріння свердловин "Акваторія" за швидку, якісну та професійно організовану роботу. Результатом дуже задоволені і бажаємо успіхів в подальшій роботі. Замовник - Вовчок О.О. 96 м, 7.06.2021, м.Обухів
За 5 років користування свердловиною вода почала подаватися перебоями. Оскільки замовляли буріння свердловини у компанії Акваторія, звернулися до них. Наступного дня приїхав фахівець для проведення діагностики, виявилося якісь проблеми з насосом, який подає воду. Придбали новий насос, а старий віддали...
Будуємо будинок у Борисполі і гостро постало питання про постачання води. Знайшли в інтернеті за відгуками компанію Акваторія. Домовилися на зручний для нас день і час, приїхали співробітники компанії поміряли, подивилися прихильність тощо. За кілька днів розпочали роботи з буріння,...
У нас центральне водопостачання у будинку на Нивках у Києві та вода чесно кажучи залишає бажати кращого. Вирішили встановити комплексну систему очищення води. Замовили тут саму систему разом із установкою. Вся система розмістилася у нас у котельні та не зайняла...
Перестала подаватися вода зі свердловини до будинку. Звернулися до компанії Акваторія. Діти відреагували швидко. Приїхали наступного дня, всі перевірили – виявилося, що насос зламався і ремонту не підлягає. Поміняли насос і прокачали свердловину. Нині все працює без проблем!
Залишилися дуже задоволені компанією «Акваторія». Співробітники компетентні та добропорядні. всю роботу виконали в обумовлений термін та якісно. Ціна приємно здивувала. Все дуже сподобалося, рекомендуватимемо
Замовляли буріння свердловини у батьків у приватному будинку на Коцюбинському. Місця для розташування установки досить мало, але хлопці розташувалися компактно і дуже акуратно пробурили свердловину. Хочеться відзначити акуратність та якість при виконанні всіх робіт. Якістю задоволені на 100%. Рекомендуємо!
На нашій дачній ділянці у Сулимівці Бориспільського району працювала одна із бригад цієї компанії. У літній період ми постійно проживаємо на ділянці і потребували води для технічних цілей. Переживали з приводу якості та наявності води взагалі, оскільки ходили різні чутки...
Робили проектування та монтаж системи автополиву. За кілька днів усі спроектували та надіслали на погодження, замовляли пакет "Стандарт". Після схвалення розпочали монтаж, за пару днів вся система була зібрана. Тепер наш газон буде вічно зеленим. Дякуємо хлопцям за оперативність та...
Рекомендую компанію до співпраці. Співпрацюємо з Акваторією не перший рік, тому що займаємося будівництвом заміських котеджів і потрібно бурити свердловини на кожен будинок. Як постійні клієнти, ми дуже задоволені та рекомендуємо всім партнерам.
Хотів би залишити позитивний відгук про співпрацю! Бурили свердловину у районі Гатного на 120м. Хлопці все зробили в обумовлені терміни та згідно з узгодженим кошторисом. Дякую!
Замовляли в Акваторії буріння свердловини в Пущі водиці. Свердловина 45 метрів. Зробили все швидко та якісно. Ціна дуже порадувала.
Готовий рекомендувати компанію Акваторія: 1. Залучають хороших підрядників до виконання робіт. 2. Використовують якісні комплектуючі. 3. Роботу роблять реально швидко та якісно. 4. Основна проблема для кінцевого Замовника – велика черга з бажаючих. Іноді потрібно і місяць почекати-але це я...
Якісна компанія, бурить там де інші відмовляються. За день пробурили 67м. Майже чисто і без великої шкоди двору. Ніч прокачувалася вода до стану чистої. Все пройшло чітко і злагоджено. Дякую за пророблену роботу, здоров'я, наснаги і легкого проходження наступних свердловин...
Сервіс дійсно на високому рівні. Після того, як зв'язався у вайбері та пояснив задачу, відразу отримав кошторис на буріння та облаштування свердловини, через 2 тижні хлопці приступили до роботи. Глибина вийшла навіть менше, ніж планувалось, хлопці чесно відповіли, що далі...
Молодці хлопці! Важкий рік. Дощі порушили усі плани. Умови для буріння не найкращі, плюс сама по собі проблемна ділянка - високі ґрунтові води. Приїхали, працювали день і ніч! Усі зробили чудово! зробили перший етап монтажу. Хай живе вода! Чекаємо на...
Швидко і якісно виконали роботу.
Компетентні спеціалісти, завжди дадуть гарні поради, швидко і оперативно роблять, реагують на вимоги замовників. Хлопці налаштовані не просто заробляти гроші, а перш за все все якісно зробити, щоб працювало навіки. Гарні консультації по матеріалам, місцю буріння і подальшому обслуговуванню. Так...
Пробурили свердловину цією весною. Прокачали, вже йде чиста вода. Глибину хлопці роблять "чесну", не заглиблюють заради метражу/оплати. Читав у відгуках, що хтось підписує договір на роботи/обладнання, ми зробили навіть без договору - отримали паспорт свердловини з гарантією. Порада для тих,...
Доброго дня!!! Замовляли буріння нової свердловини в компаніі Акваторія. м.Обухів вул.Загребля 19. Після виконання всіх остаточних робіт, залишилось тільки одне. Щиро подякувати керівництву компаніі, та її професійним співробітникам за, порядність та професіоналізм. Виконанням робіт задоволені. Водичка з крану чиста, та...
У цьому році вирішили зробити крапельне зрошення городу та саду, ось з цим питанням і звернулися в цю компанію. Після дзвінка, консультації та узгодження, майстри приступили до роботи. Все виконали як і обговорювали, спасибі.
Хороша компанія, роблять якісно та швидко. Дякую
Пробурили швидко, дуже задоволений, трапилася тямуща бригада, спочатку домовлявся на 40м але на 31 метрі пішли погані ґрунти і хлопці далі бурити не стали за що їм дякую, а хоча могли добурити до 40м і зняти більше грошей. Загалом раджу
Звертався в компанію ще восени 2020 року, мені потрібно було пробурити особисту свердловину і зробити автономний полив на ділянці. Підійшли до цього питання серйозно і відповідально, виконали в обговорювані терміни. Від мене подяка.
Звернувся до компанії з проблемою - почала пісочити стара свердловина, і треба було оперативно зробити нову. Хлопці відреагували швидко, приїхали та за 3 дні зробили все. Дуже задоволений, не чекав, що працюватимуть навіть узимку! Нова свердловина працює чудово, всім задоволений,...
Краща компанія на ринку за рівнем цін та оперативністю буріння. За 7 днів пробурили 77 метрів, питань та претензій немає-тільки задоволення від виконаної роботи. Для нас було головним при виборі компанії – відгуки та гарантійні зобов'язання на роботи (5 років!)...
Зробили 10-метрові свердловини, детальну геологію. Я, як інженер, звітом задоволена. Ціною також. Якістю також. Рекомендую. Дякую будемо якщо що далі звертатися за поливом та водою.
Дуже задоволені співпрацею з цією фірмою. Все-від директора до робітника майстра своєї справи, чемні, доброзичливі, терміни дотримуються, документи в порядку. Дай Боже здоров'я тому, хто зібрав таку команду і так добре все організував
У спадок отримали 1/3 будинки у смт Макарів, Київської області. Облаштування нашої дачі розпочали з води. Постало питання як зробити свердловину, т.к. будівлі не давали змоги заїхати великий техніці. Звернулися до Акваторії за рекомендацією знайомих. Діти приїхали з розбірною установкою,...
На нашій дачній ділянці у Сулимівці Бориспільського району працювала одна із бригад цієї компанії. У літній період ми постійно проживаємо на ділянці і потребували води для технічних цілей. Переживали з приводу якості та наявності води взагалі, оскільки ходили різні чутки...
Компанія проводила монтаж свердловини. Після складання кошторису прибули монтажники на другий день/ З 11:00 до 17:00 роботи були проведені з урахуванням копія приямка, монтажу кілець та навантаження насоса - під ключ, Рекомендую
Дана компанія робила нам свердловину для дачі ( Червоний хутір) 70 м. Не пошкодували, що звернулися саме до цієї компанії. Нас відмінно проконсультував інженер Максим, спокійно відповів на всі наші чисельні питання, розвіяв сумніви, дав корисні поради! На ділянці все...
Знайшла компанію в інтернеті, вибирала з кількох за відгуками, потім зі спілкуванням по телефону. Мені потрібна була свердловина 40 м і септик на поки не житловій дачній ділянці. До Акваторії спілкувалася з парою компаній, які спочатку виставляли один кошторис, а...
Ця компанія робила нам свердловину для дачі в Білогородці, ми довго думали, але коли зважилися не пошкодували. Нас добре проконсультували спочатку і спокійно відповіли на всі запитання, а їх було чимало! На ділянці вже роботи зайняли 3 дні, все було...
Відмінно працюють, профі. Мені на дачній ділянці знадобилася свердловина, вода зникла в колодязі. Там дерева і т.д., і варіант із заїздом великогабаритної машини відпав. Дякую В'ячеславу та Роману. Євген – керівник, дуже комунікабельна людина. Сусіди на дачі спостерігали за процесом...
Звернулися до компанії з метою замовити буріння свердловини. Вартість послуг середня по ринку з урахуванням обладнання та комплексу робіт. Порадували працівники, які виконували буріння та облаштування свердловини. Пунктуальність, акуратність, ввічливість, часові рамки виконання робіт. Все було на найвищому рівні. Рекомендую)
Замовляв геологію для будівництва лазні. Усім дуже залишився задоволеним. Терміни, бюджет та ставлення до роботи на всі 5
Коли виникли проблеми з водою, чоловік намагався впоратися самостійно. Але без навичок у цій справі в нього, звичайно, нічого не вийшло. Подруга дала телефон, і я звернулася до компанії "Акваторія". Бригада приїхала у день, який обговорювали. На щастя, насос опинився...
Замовивши в цій компанії геологію для будівництва на ділянці, потрібно було швидко зробити, оскільки терміни тиснули. Хлопці відгукнулися та виїхали наступного дня, все зробили попри погану погоду, звіт отримав у строк. Всім задоволений, дякую, що так оперативно та якісно виконуєте...
Була проведена заміна насоса у заміському ресторанному комплексі, у п'ятницю перестала працювати свердловина, а на суботу у нашому ресторані було заплановано багато заходів, порадили Акваторію. Подзвонили, домовились, приїхали, зробили діагностику. У суботу до 11:00 поміняли насос і все добре закінчилося,...
Ремонтували свердловину в неділю, щось перестала надходити вода, Спочатку передзвонила кільком фірмам, лише співробітники Акваторії приїхали і всі усунули за кілька годин, навіть допомогли відрегулювати насосну станцію.
Кожен домовласник потребує води. Виникла така потреба і в мене. Так само як і всі у таких випадках почав шукати виконавців. Варіантів у принципі чимало. Я подзвонив 7 або 8. З них з різних причин вибрав 4. Кожен із них...
Я, Крикливий Володимир Вікторович, висловлюю свою щиру подяку високо порядній буровій бригаді фахівців компанії “Акваторія” за якісно виконану роботу по бурінню свердловини на моїй ділянці – 94 метри. Протягом 4-х днів (28 -31 січня 2020 року) проходило буріння свердловини. Робота...
Замовив проведення геології та топозйомки під будівництво ділянки у Ворзелі, 15 соток. Цілий день обдзвонював усі фірми, щоб дізнатися ціни та терміни виконання, сподобалося в «Акваторії», що швидко зреагували на замовлення і виїхали, на ділянці провели роботи так само оперативно,...
Замовив проведення геології та топозйомки під будівництво ділянки у Ворзелі, 15 соток. Цілий день обдзвонював усі фірми, щоб дізнатися ціни та терміни виконання, сподобалося в «Акваторії», що швидко зреагували на замовлення і виїхали, на ділянці провели роботи так само оперативно,...
Звернулися з питанням провести геологію на ділянці та оперативно зробити звіт. Ціна приємна, бригада приїхала швидко, і все зробили за день. Звіт надали в обумовлені терміни. Всім задоволені! Рекомендуємо!
ТОВ "Акваторія" робили свердловину нашим сусідам на дачі, і поспостерігавши за їхньою роботою, ми з чоловіком зважилися найняти їх щоб зробити свердловину і в нас на ділянці. Свердловина завглибшки під 60м, гарантію на неї дали 5 років, вода чиста, роботою...
Фахівці компанії виконали буріння свердловини під воду в приватному будинку, на глибину близько 50 м. Після зробили пробне прокачування, все виявилося в повному порядку. Потім видали паспорт, проконсультували якесь насосне обладнання купити. Ціна була прийнятна для такого виду робіт, порівнювала...
Замовляла буріння свердловини. Фахівці компанії приїхали своєчасно і за три дні виконали свою роботу. Те, що фахівці тут професійні я в цьому переконалася особисто. Дякую за вашу працю!
Спасибі величезне кампанії за воду в нашому будинку! Спрацювали чітко – вчасно приїхали, привезли всі необхідні матеріали та все зробили. Величезна подяка Миколі та Василю, які бурили свердловину – майстри своєї справи. Цілком самостійні, знають, що потрібно робити, чують усі...
Висловлюю подяку компанії «Акваторія» за оперативний та якісний ремонт (заміна насоса) на свердловині, а саме: інженеру Максиму та майстру Андрію. Буквально врятували нашу сім'ю, що залишилася без води через вихід з ладу насоса. Максим відреагував день у день, Андрій приїхав...
Чітко, швидко, якісно та головне недорого. Вміють працювати зі складними замовниками.
довго вибирали компанію буріння свердловин. Зважували всі за і проти .... Багато хто дає низькі ціни, але немає гарантій по сервісу. Зупинились на Акватирії. Дякую вам, хлопці! За оперативність, чесність, професіоналізм, роботу у не зовсім комфортних умовах. Бурівники – Славік,...
Велике дякую майстрам із буріння Славі та Вадиму! Велике дякую майстрам з підключення Андрію та Сергію!!!! Ви просто супер! 94 метри! Ви це зробили! Воду ще поки що зливаємо, але сподіваємося все буде супер!!! Рекомендую!
Хочу сказати велике спасибі компанії! Треба було зробити тампонаж старої свердловини та пробурити нову, неглибоку, для використання будівельниками на об'єкті. Надіслали розрахунок швидко, всі роботи зробили в короткий термін і дуже грамотно. Всім задоволені!
У цій компанії замовляли буріння свердловини у 2 труби на Осокорках. Співробітники компанії вчасно розпочали свою роботу і свердловину пробурили досить швидко. З глибини 72 метри вода надходить хороша і головне, що вона чиста. Дякую!
Відмінна компанія. Зробили швидко та якісно. Зараз прокачуємо воду. Незабаром будемо встановлювати фільтри
Замовили геологію під будівництво заміського котеджу. Бригада приїхала вчасно, хлопці зробили швидко на ділянці. За тиждень отримали звіт. Претензій немає, всім задоволені!
У мене зі свердловини перестала текти вода, я звернулася до Акваторії. Співробітники прибули наступного дня, здійснили заміну насоса, витягли старий, на місце поставили новий. Тепер все працює, дякую компанії та її співробітникам.
Замовляв геологію ділянки у Плесецькому, під будівництво будинку зробили швидко, дали рекомендації, ще зробили знижку за відгук, все добре, рекомендую.
Хочу висловити подяку фахівцям, які вирішили нашу проблему! У нас сильно почав тягнути пісок зі свердловини, всі говорили треба робити нову свердловину, приїжджали кілька різних "фахівців", брали гроші за виїзд, але проблему не вирішували! Подзвонив в Акваторію, все пояснив, хлопці...
Компанія справді заслуговує на увагу. Робили мені геологічні свердловини для будівництва басейну на ділянці. Як домовилися за вартістю, так за фактом і сплатив, без доплат та прихованих робіт. Якістю роботи бригади залишився цілком задоволений. Молодці. Раджу однозначно.
Мав справу з цією компанією, на дачі бурили свердловину. Компанія дійсно прокладає високоефективні свердловини з водоочищенням. Перед початком робіт приїхав фахівець, все проаналізував, після приїхали робітники. Всі роботи виконали в обумовлений термін, одним словом пунктуальність. Дякую.
Потрібно було зробити геологію на ділянці, звернулися до компанії "Акваторія". Фахівці приїхали швидко, все зробили акуратно та оперативно! Висновки з робіт передали через 7 днів, все було оформлено у найкращому вигляді. Запитань немає, радимо знайомим!
Працюють професіонали. Подзвонила, приїхав інженер Максим, подивився місцевість, проконсультував, вислав кошториси на різні варіанти свердловин. Домовилися і через три дні у нас готова свердловина із гарантією, і жодних проблем ?. Дуже дякую!
Звернулися до компанії «Акваторія» замовити діагностику свердловини на ділянці, тому що з нею виникли проблеми: почало скакати тиск і у воді з'явився пісок. Думали, що доведеться робити нову. то в гідробаку, поміняв якісь клапани і прокачав її, і ми знову...
Дякую за виконану роботу, свердловину облаштували за 1 день і пробурили теж досить швидко. Вода без запаху та гарна на смак, незабаром здамо на повний аналіз, але вже зараз видно, що все добре.
Привіт! Хотіла б висловити подяку компанії за добре зроблену роботу. Бригада, що приїхала до мене в Бровари, буровиком чудово впоралася зі своєю роботою. Діти знають свою справу, працюють швидко, якісно. Доступно пояснили, як правильно експлуатувати свердловину. Рада Вас рекомендувати друзям....
Задоволений. Є вода – є життя. У нас вода є, дякую Акваторії! Свердловина 55 метрів. Працювали якісно, зі знанням справи. Рекомендую.
Зверталися до цієї компанії, фахівці бурили свердловину для води у нас на заміській ділянці в Зазим'ї на 58 метрів. Усі виконали швидко, якісно. За ціною цілком прийнятно. Приємна організація.
Зверталися до цієї компанії, фахівці бурили свердловину для води у нас на заміській ділянці. Усі виконали швидко, якісно. За ціною цілком прийнятно. Приємна організація.
У компанії замовляли діагностику та ремонт автоматики насоса в свердловині. Декілька днів була проблема - насос то вмикався то вимикався сам, були інші фахівці, але всі пропонували замінити насос, але виходило дороговато в них. Знайшла Акваторію, де по ціні було...
Зникла вода з свердловини. За рекомендацією знайомої звернулася в цю компанію, де вартість послуги виявилася найприйнятнішою. Співробітники компанії приїхали за заявкою своєчасно і приступили до своєї роботи. Досить швидко провели діагностику і відремонтували свердловину. Роботу свою виконали охайно і якісно....
Свердловина у с. Гоголів. Моя сестра звернулася до Акваторії за рекомендацією зовсім сторонньої людини-майстра з встановлення насосного обладнання і з вибором не помилилася. Бурильники Ігор та Артур пробурили свердловину під воду на глибину 80 метрів швидко. Бурили малогабаритною установкою. Хлопці...
Бурили свердловину у Переможці. Швидко, якісно. На всі запитання дали відповідь. Можемо лише рекомендувати!
Обращался в компанию, нужно было восстановить старенькую скважину. Воды в ней было мало. Понравилось, что очень грамотно оценили ситуацию и отремонтировали до состояния новой. И по цене гораздо дешевле, чем делать рядом еще одну. Вода стала чистая и больше. Очень...
Цю компанію нам порадили знайомі ми звернулися щоб зробити облаштування скважні, попередні майстри порахували дуже дорого. Все пройшло добре і швидко, тому зараз ми хочемо ще замовити установку теплового насоса, коштує не дуже дорого!
Батьки чоловіка давно мріяли за містом купити невеликий будиночок та проводити свої найкращі дні на свіжому повітрі. Довго довелося не лише будинок вибирати, а ще й організацію, яка б змогла допомогти у питанні якісного водопостачання, облаштування свердловини з новими матеріалами...
направимо Вам розрахунок
протягом години
Або Подзвоніть нам +38 044 209-01-01 +38 097 700-10-10














































